10Kv变电及工厂配电自动化实验装置
10KV输配电综合模拟实训系统,10Kv变电及工厂配电自动化实验装置对教材中的10kV的总降压变电所(HSS)的0.4KV及车间用电负荷,咨询热线13122891392 ...
订购热线:021-66581511
中人教仪厂是专业生产10Kv变电及工厂配电自动化实验装置,10KV输配电综合模拟实训系统及配件的厂家,生产的10Kv变电及工厂配电自动化实验装置,10KV输配电综合模拟实训系统品质过硬,中人品牌在国内已经拥有几百所院??突?。
本文关键词:10Kv变电及工厂配电自动化实验装置
ZRPD-SPD 10KV输配电综合模拟实训系统
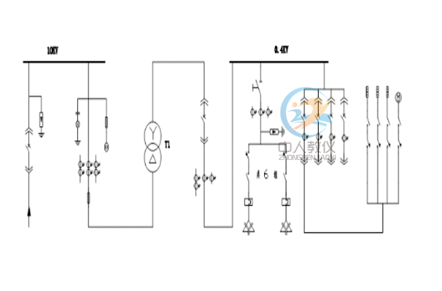
10Kv变电及工厂配电自动化实验装置”是依据《工厂供电》、《供配电技术》等相关课程和实验的要求,利用先进的配电自动化技术开发的具有多种实验实训功能的综合性教学培训设备。系统模拟10KV输电10KV变电及工厂厂站用户,实现准现场化的数据监测、系统控制等操作,利用电力RTU设备实现电力SCADA功能。该装置配有各种常规标准化电气元件及电力系统专用网关单元装置,能够完成低压系统包括10KV线路、变压器、低压负载、无功补偿、等在内的操作控制和故障模拟实训。该装置主要对教材中的10kV的总降压变电所(HSS)的0.4KV及车间用电负荷的供配电线路、无功自动补偿装置、智能采集??榈鹊缙淮?、二次、功能控制及故障?;さ戎氐憬萄谌萁猩杓瓶⒌模ü诒臼笛底爸弥械募寄苎盗纺茉谏钊肜斫獾脱沟缙ㄒ抵兜耐?,培养学生的实践技能。并且本套实训装置还有利于学生对常规继电器、交流接触器、电动机控制、电流互感器使用、电压互感器使用、电力电容器、数字无功补偿及开关元器件工作特性和接线原理的理解和掌握。
特点
1.实用性强本装置根据典型教学内容设计,在开发中征求了专业教师的建议、吸收了工程应用中的实际经验。比较系统地实现了工厂低压系统的受电、分配、控制、故障等实践技能训练要求。学生在实训中还能掌握正确的电路投切操作,倒闸操作,运行控制以及各种故障排除的调整操作规程。此外,装置中还加入一些新型元器件,使同学们能够更加清楚的了解电气系统的发展进程。本装置结构清晰,运行灵活,操作方便,安全可靠。为学生提高实践技能建立了一个良好的实训平台。
2.综合性强
本装置综合了与工厂供电相关的控制回路结构,计量单元结构,故障模拟结构,无功补偿结构等功能,采用的是工业现场产品,有利于进行理论分析和数值分析。
3.先进性
本装置控制回路、数据采集和PLC微机智能检测控制的相关技术,采用分层分布式控制方式,组建成集回路控制、机体漏电?;?、数据测量和单元信号为一体的综合自动化实训平台。体现了当前自动化技术和通信技术在供配电网的深刻变革方向。
4.安全性
本实训系统融合了错误操作安全侦别系统,如控制回路断线、错误操作信号告警功能。
技术指标
1、基本参数2)供电电源:两相三线供电,
3)频率:50HZ
4)功率:20KW;
5)试验台尺寸:2200*800*1600mm(长*深*高,钢制喷塑结构)
6)重量:230KG
2、绝缘性能
◎绝缘电阻:装置所有电路与外壳之间绝缘电阻在标准条件下,不小于100MΩ
◎戒指强度:装置所有电路与外壳的介质强度能耐受交流50HZ,电压2KV(有效值)历时1MIN实验,二无绝缘击穿或闪络现象。当复查戒指强度是,试验电压值为规定值的75%。
3、冲击电压
◎ 导电部分对外露的非金属部分及外壳之间,在规定的试验大气条件下,能耐受幅值为5KV的标准雷电波短时冲击检验
4、抗干扰能力
◎装置能承受GB/T14598.13规定的频率为1HZ及100HZ衰减震荡波(第一个半波电压幅值共模为2.5KV差为1KV)脉冲干扰试验;
◎装置能承受GB/T14598.14规定的严酷等级为Ⅳ级的静电放电干扰试验
◎装置能承受GB/T14598.9规定的严酷等级为Ⅲ级的辐射电磁干扰试验
◎装置能承受GB/T14598.10规定的严酷等级为Ⅳ级的快速瞬变干扰试验
5、机械性能
◎工作条件:装置能承受严酷等级为1级的振动响应、冲击响应试验。
◎运输条件:装置能承受严酷等级为1级的振动耐久、冲击耐久及碰撞试验。
6、环境条件
环境温度
◆工作:-10℃~+50℃
◆储存:-25℃+70℃在极限值下不适加激励量,装置不出现不可逆变化,温度恢复后装置应能正常工作;
◎大气压力:86~106KPA(相当于海拔高度2KM及以下);
◎相对湿度:不大于95%,无凝露;
◎其他条件:装置周围的空气带有酸、碱、腐蚀或奥加或爆炸性的物质。
主要配置
一.10KV线路?;は低?br /> 1、含线路开关系统的测量、控制,即有线路开关及其控制系统、电流互感器、电压互感器、三相开关的控制、微机?;げ饪刈爸玫龋?br /> 2、线路CT互感器;
3、 线路抽取电压VT组合互感器400/100;
4、可在线监测各线路的三相电流、电压的有效值和相位;各序分量的有效值和相位;有功功率、无功功率、功率因数以及频率;
5、在线监测线路开关的开、断状态;
6、对线路开关的开 / 合控制;
7、微机保护测控装置的响应能力满足对生产过程的数据采集和控制命令执行的时间要求,模拟量采样频率>3200,通过GOOSE命令开出出口时间≤7ms;
8、控制中心的响应能力满足系统数据采集、人机通信、控制功能和系统通信的时间要求;
9、智能微机测控单元支持标准电力规约,可上送SOE信息、上送和接受GOOSE信息,可以通过双环网以太网和站控层直接通讯,接受来自站控层的遥控命令,支持B码对时;
10、智能微机测控单元的响应能力:中断响应时间 ≤2ms;模拟点采集周期 ≤1s;控制命令响应时间 ≤1s;刷新时间 ≤1s;
1) 装置采用许继集团生产的WGB-871微机线路测控装置,该装置集成电路 全部采用工业品或军品,使得装置有很高的稳定性和可靠性。
2) 采用32位DSP作为保护CPU,配置大容量的RAM和Flash Memory;数 据运算、逻辑处理和信息存储能力强,可靠性高,运行速度快。
3) 采用16位A/D作为数据采集,数据采集每周24点,?;げ饬烤雀?。
4) 采用图形液晶,全中文显示菜单式人机交互;可实时显示各种运行状态及数据,信息详细直观,操作、调试方便。
5) 可独立整定8套保护定值,定值区切换安全方便。
6) 大容量的信息记录:可保存不小于100个最近发生的历史报告,可带动作参数,掉电保持,便于事故分析。
7) 通信规约采用IEC-60870-5-103规约或MODBUS规约可选,设有双RS-485通信接口;组网经济、方便,可直接与微机监控或保护管理机联网通讯。
8) 具有录波功能,装置记录?;ぬ⑶?周波,跳闸后6周波(每周波24点)的采样数据,?;ぬ⒑笊纤捅涞缯咀远髡?,也可以通过故障分析软件进行故障分析。
9) ?;こ隹诜绞娇梢园凑毡;づ渲茫隹谏柚梅奖懔榛?。
主要技术指标:
1、额定数据
额定电源电压: DC220V
额定交流电压:相电压100/V
额定交流电流:5A
额定频率:50Hz
半周波:100In
2、装置功耗
1、交流电压回路: 每相不大于1VA;
2、交流电流回路: In=5A时每相不大于1VA;In=1A时每相不大于
0.5VA;
3、零序电流回路: 1A;
4、?;さ缭椿芈罚? 正常工作时,不大于12W;保护动作时,不大于15W。
3、环境条件
环境温度
工作: -25℃~+55℃。
储存:-25℃~+70℃,相对湿度不大于80%,周围空气中不含有酸性、碱性或其它腐蚀性及爆炸性气体的防雨、防雪的室内;在极限值下不施加激励量,装置不出现不可逆转的变化,温度恢复后,装置应能正常工作。
相对湿度:最湿月的月平均最大相对湿度为90%,同时该月的月平均最低温度为25℃且表面不凝露。最高温度为+40℃时,平均最大湿度不超过50%。
大气压力:80kPa~110kPa(相对海拔高度2km以下)。
4、抗干扰性能
1) 脉冲群干扰试验:能承受GB/T14598.13-1998规定的频率为1MHz及100kHz衰减振荡波(第一半波电压幅值共模为2.5kV,差模为1kV)脉冲群干扰试验。
2) 快速瞬变干扰试验:能承受GB/T14598.10-1997第四章规定的严酷等级为Ⅳ级的快速瞬变干扰试验。
3) 辐射电磁场干扰试验:能承受GB/T14598.9-1995第四章规定的严酷等级为Ⅲ级的辐射电磁场干扰试验。
4) 静电放电试验:能承受GB/T14598.14-1998中4.1规定的严酷等级为Ⅲ级的静电放电试验。
5) 电磁发射试验:能承受GB/T14598.16-2002中4.1规定的传导发射限值及4.2规定的辐射发射限值的电磁发射试验。
6) 工频磁场抗扰度试验:能承受GB/T17626.8-1998第5章规定的严酷等级为Ⅳ级的工频磁场抗扰度试验。
7) 脉冲磁场抗扰度试验:能承受GB/T17626.9-1998第5章规定的严酷等级为Ⅳ级的脉冲磁场抗扰度试验。
8) 阻尼振荡磁场抗扰度试验:能承受GB/T17626.10-1998第5章规定的严酷等级为Ⅳ级的阻尼振荡磁场抗扰度试验。
9) 浪涌抗扰度试验:能承受IEC 60255-22-5:2002第4章规定的严酷等级为Ⅳ级浪涌抗扰度试验。
10) 传导骚扰的抗扰度试验:能承受IEC 60255-22-6:2001第4章规定的射频场感应的传导骚扰的抗扰度试验。
11) 工频抗扰度试验:能承受IEC 60255-22-7:2003第4章规定的工频抗扰度试验。
5、绝缘性能
1) 绝缘电阻:各带电的导电电路分别对地(即外壳或外露的非带电金属零件)之间,交流回路和直流回路之间,交流电流回路和交流电压回路之间,用开路电压为500V的测试仪器测试其绝缘电阻值不应小于100MΩ。
2) 介质强度:装置通信回路和24V等弱电输入输出端子对地能承受50Hz、500V(有效值)的交流电压,历时1min的检验无击穿或闪络现象;其余各带电的导电电路分别对地(即外壳或外露的非带电金属零件)之间,交流回路和直流回路之间,交流电流回路和交流电压回路之间,能承受50Hz、2kV(有效值)的交流电压,历时1min的检验无击穿或闪络现象。
3) 冲击电压:装置通信回路和24V等弱电输入输出端子对地,能承受1kV(峰值)的标准雷电波冲击检验;其各带电的导电端子分别对地,交流回路和直流回路之间,交流电流回路和交流电压回路之间,能承受5kV(峰值)的标准雷电波冲击检验。
6、机械性能
1) 振动响应:装置能承受GB/T 11287-2000中4.2.1规定的严酷等级为I级振动响应检验。
2) 冲击响应:装置能承受GB/T 14537-1993中4.2.1规定的严酷等级为I级冲击响应检验。
3) 振动耐久:装置能承受GB/T 11287-2000中4.2.2规定的严酷等级为I级振动耐久检验。
4) 冲击耐久:装置能承受GB/T 14537-1993中4.2.2规定的严酷等级为I级冲击耐久检验。
5) 碰撞:装置能承受GB/T 14537-1993中4.3规定的严酷等级为I级碰撞检验。
7、?;ざㄖ嫡ǚ段Ъ拔蟛?br /> 定值整定范围
交流电压: 4V~100V;
交流电流: 0.1In~20In;
定值误差
电流:< ±2.5%。
电压: < ±2.5%。
8、延时整定范围及误差
定时限在0s~2s(含2s)范围内不超过40ms,2s~100s范围内不超过整定值的±2%;
反时限在0s~2s(含2s) 范围内不超过±100ms,2s以上不超过理论值的±5%。
9、测量精度
1) 各模拟量的测量误差不超过额定值的±0.2%;
2) 功率测量误差不超过额定值的±0.5%;
3) 开关量输入电压(DC220V/110V/24V),分辨率不大于2ms;
4) 脉冲量输入电压DC 24V,脉冲宽度不小于10ms;
5) 有功、无功电度不超过±1%;
6) 频率测量误差不超过±0.02Hz;
7) 直流模拟量输入范围:0V~5V;
8) 直流基本误差:不超过额定值的±0.5%(外接温度变送器时,温度测量误差±2℃)。
10、节点容量
1) 出口跳合闸触点
在电压不大于250V,电流不大于1A,时间常数L/R为5ms±0.75ms的直流有感负荷电路中,触点断开容量为50W,长期允许通过电流不大于5A。
2) 出口信号及其它触点
在电压不大于250V,电流不大于0.5A,时间常数L/R为5ms±0.75ms的直流有感负荷电路中,触点断开容量为20W,长期允许通过电流不大于3A。
3.1详细技术参数:
额定直流电压: 220V
额定交流数据: 相电压 100/V
零序电压 100V
交流电流 5A或1A(订货注明)
零序电流 1A
额定频率 50Hz
二.10KV变压器?;は低?/span>
1、含线路开关系统的测量、控制,即有线路开关及其控制系统、电流互感器、电压互感器、三相开关的控制、微机?;げ饪刈爸玫龋?br /> 2、 CT互感器;3、 电压VT组合互感器400/100;
4、可在线监测各线路的三相电流、电压的有效值和相位;各序分量的有效值和相位;有功功率、无功功率、功率因数以及频率;
5、在线监测线路开关的开、断状态;
6、对线路开关的开 / 合控制;
7、微机?;げ饪刈爸玫南煊δ芰β愣陨痰氖莶杉涂刂泼钪葱械氖奔湟?,模拟量采样频率>3200,通过GOOSE命令开出出口时间≤7ms;
8、控制中心的响应能力满足系统数据采集、人机通信、控制功能和系统通信的时间要求;
9、智能微机测控单元支持标准电力规约,可上送SOE信息、上送和接受GOOSE信息,可以通过双环网以太网和站控层直接通讯,接受来自站控层的??孛?,支持B码对时;
10、智能微机测控单元的响应能力:中断响应时间 ≤2ms;模拟点采集周期 ≤1s;控制命令响应时间 ≤1s;刷新时间 ≤1s;
10) 装置采用许继集团生产的WGB-631微机变压器测控装置,该装置集成电路全部采用工业品或军品,使得装置有很高的稳定性和可靠性。
11) 采用32位DSP作为保护CPU,配置大容量的RAM和Flash Memory;数据运算、逻辑处理和信息存储能力强,可靠性高,运行速度快。
12) 采用16位A/D作为数据采集,数据采集每周24点,?;げ饬烤雀?。
13) 采用图形液晶,全中文显示菜单式人机交互;可实时显示各种运行状态及数据,信息详细直观,操作、调试方便。
14) 可独立整定8套?;ざㄖ担ㄖ登谢话踩奖恪?br /> 15) 大容量的信息记录:可保存不小于100个最近发生的历史报告,可带动作参数,掉电保持,便于事故分析。
16) 通信规约采用IEC-60870-5-103规约或MODBUS规约可选,设有双RS-485通信接口;组网经济、方便,可直接与微机监控或保护管理机联网通讯。
17) 具有录波功能,装置记录?;ぬ⑶?周波,跳闸后6周波(每周波24点)的采样数据,?;ぬ⒑笊纤捅涞缯咀远髡?,也可以通过故障分析软件进行故障分析。
18) ?;こ隹诜绞娇梢园凑毡;づ渲茫隹谏柚梅奖懔榛?。
主要技术指标:
1、额定数据
额定电源电压: DC220V
额定交流电压:相电压100/V
额定交流电流:5A
额定频率:50Hz
半周波:100In
2、装置功耗
1、交流电压回路: 每相不大于1VA;
2、交流电流回路: In=5A时每相不大于1VA;In=1A时每相不大于
0.5VA;
3、零序电流回路: 1A;
4、?;さ缭椿芈罚? 正常工作时,不大于12W;?;ざ魇?不大于15W。
3、环境条件
环境温度
工作: -25℃~+55℃。
储存:-25℃~+70℃,相对湿度不大于80%,周围空气中不含有酸性、碱性或其它腐蚀性及爆炸性气体的防雨、防雪的室内;在极限值下不施加激励量,装置不出现不可逆转的变化,温度恢复后,装置应能正常工作。
相对湿度:最湿月的月平均最大相对湿度为90%,同时该月的月平均最低温度为25℃且表面不凝露。最高温度为+40℃时,平均最大湿度不超过50%。
大气压力:80kPa~110kPa(相对海拔高度2km以下)。
4、抗干扰性能
12) 脉冲群干扰试验:能承受GB/T14598.13-1998规定的频率为1MHz及100kHz衰减振荡波(第一半波电压幅值共模为2.5kV,差模为1kV)脉冲群干扰试验。
13) 快速瞬变干扰试验:能承受GB/T14598.10-1997第四章规定的严酷等级为Ⅳ级的快速瞬变干扰试验。
14) 辐射电磁场干扰试验:能承受GB/T14598.9-1995第四章规定的严酷等级为Ⅲ级的辐射电磁场干扰试验。
15) 静电放电试验:能承受GB/T14598.14-1998中4.1规定的严酷等级为Ⅲ级的静电放电试验。
16) 电磁发射试验:能承受GB/T14598.16-2002中4.1规定的传导发射限值及4.2规定的辐射发射限值的电磁发射试验。
17) 工频磁场抗扰度试验:能承受GB/T17626.8-1998第5章规定的严酷等级为Ⅳ级的工频磁场抗扰度试验。
18) 脉冲磁场抗扰度试验:能承受GB/T17626.9-1998第5章规定的严酷等级为Ⅳ级的脉冲磁场抗扰度试验。
19) 阻尼振荡磁场抗扰度试验:能承受GB/T17626.10-1998第5章规定的严酷等级为Ⅳ级的阻尼振荡磁场抗扰度试验。
20) 浪涌抗扰度试验:能承受IEC 60255-22-5:2002第4章规定的严酷等级为Ⅳ级浪涌抗扰度试验。
21) 传导骚扰的抗扰度试验:能承受IEC 60255-22-6:2001第4章规定的射频场感应的传导骚扰的抗扰度试验。
22) 工频抗扰度试验:能承受IEC 60255-22-7:2003第4章规定的工频抗扰度试验。
5、绝缘性能
4) 绝缘电阻:各带电的导电电路分别对地(即外壳或外露的非带电金属零件)之间,交流回路和直流回路之间,交流电流回路和交流电压回路之间,用开路电压为500V的测试仪器测试其绝缘电阻值不应小于100MΩ。
5) 介质强度:装置通信回路和24V等弱电输入输出端子对地能承受50Hz、500V(有效值)的交流电压,历时1min的检验无击穿或闪络现象;其余各带电的导电电路分别对地(即外壳或外露的非带电金属零件)之间,交流回路和直流回路之间,交流电流回路和交流电压回路之间,能承受50Hz、2kV(有效值)的交流电压,历时1min的检验无击穿或闪络现象。
6) 冲击电压:装置通信回路和24V等弱电输入输出端子对地,能承受1kV(峰值)的标准雷电波冲击检验;其各带电的导电端子分别对地,交流回路和直流回路之间,交流电流回路和交流电压回路之间,能承受5kV(峰值)的标准雷电波冲击检验。
6、机械性能
6) 振动响应:装置能承受GB/T 11287-2000中4.2.1规定的严酷等级为I级振动响应检验。
7) 冲击响应:装置能承受GB/T 14537-1993中4.2.1规定的严酷等级为I级冲击响应检验。
8) 振动耐久:装置能承受GB/T 11287-2000中4.2.2规定的严酷等级为I级振动耐久检验。
9) 冲击耐久:装置能承受GB/T 14537-1993中4.2.2规定的严酷等级为I级冲击耐久检验。
10) 碰撞:装置能承受GB/T 14537-1993中4.3规定的严酷等级为I级碰撞检验。
7、保护定值整定范围及误差
定值整定范围
交流电压: 4V~100V;
交流电流: 0.1In~20In;
定值误差
电流:< ±2.5%。
电压: < ±2.5%。
8、延时整定范围及误差
定时限在0s~2s(含2s)范围内不超过40ms,2s~100s范围内不超过整定值的±2%;
反时限在0s~2s(含2s) 范围内不超过±100ms,2s以上不超过理论值的±5%。
9、测量精度
9) 各模拟量的测量误差不超过额定值的±0.2%;
10) 功率测量误差不超过额定值的±0.5%;
11) 开关量输入电压(DC220V/110V/24V),分辨率不大于2ms;
12) 脉冲量输入电压DC 24V,脉冲宽度不小于10ms;
13) 有功、无功电度不超过±1%;
14) 频率测量误差不超过±0.02Hz;
15) 直流模拟量输入范围:0V~5V;
16) 直流基本误差:不超过额定值的±0.5%(外接温度变送器时,温度测量误差±2℃)。
10、节点容量
1) 出口跳合闸触点
在电压不大于250V,电流不大于1A,时间常数L/R为5ms±0.75ms的直流有感负荷电路中,触点断开容量为50W,长期允许通过电流不大于5A。
2) 出口信号及其它触点
在电压不大于250V,电流不大于0.5A,时间常数L/R为5ms±0.75ms的直流有感负荷电路中,触点断开容量为20W,长期允许通过电流不大于3A。
3.1详细技术参数:
额定直流电压: 220V
额定交流数据: 相电压 100/V
零序电压 100V
交流电流 5A或1A(订货注明)
零序电流 1A
额定频率 50Hz
三.后台监控系统
微机监控系统采用实际电力系统的监控界面,通过各种测控装置、励磁装置、调速装置、线路、变压器、自动装置等设备采集各测量点的电流、电压、有功功率、无功功率、频率、发电机转速以及励磁电流电压等,对按照实验要求可进行数据处理;进行实验系统图绘制,对实验过程进行监视、控制、调整,并可以实现厂用电系统中的??亍⒁2?、遥调、要信的控制。主要完成数据采集及处理;控制操作;报警及事件记录;历史记录;显示打印等功能.功能配置
1) 数据采集及处理功能:按电气间隔分布配置或集中配置综合测控终端;完成开关量、模拟量、脉冲量等信息的采集及处理。
2) 控制操作功能:断路器及刀闸的分合;变压器分接头调节;电压无功控制??刂撇僮饔烧炯豆ぷ髡臼迪?,也可以在各间隔层测控终端通过手动操作完成。
3) 报警及事件记录功能:将遥测越限、正常遥信变位、事故变位、?;ば畔ⅰ⒁?丶锹肌⒉僮骷锹嫉刃畔⒓型骋还芾?,分类记录并处理。
4) 历史记录功能 :负责定期地将处理后的数据保留入历史库,以供趋势分析、统计计算之用。
5) 显示打印功能:支持多窗口、分层显示各种接线图、地理图、系统图、曲线、潮流图、事件列表、?;ば畔?、报表、三维棒图等??扇斯ぁ⒆远蚨ㄊ贝蛴「髦直ū?、曲线、事件等。
6 ) 故障录波分析功能:定值召唤及设置,对系统采集的扰动数据处理保存,并进行波形显示、故障分析、打印等。
实训项目
西门子PLC,中间继电器,按钮,指示灯,有功表,无功表等。智能仪表(可以测量几十种诸如电压、电流、功率、频率等常用电力参数:电压、电流测量精度为0.2%、功率测量精度为0.5)
监控系统通过遥测,遥信,遥控,遥调进行自动化控制。系统具有实时数据采集、功能故障点配置和数据处理等功能,可实现功能故障分析及波形打印功能。
1、系统信息遥测值组态实验
2、各个功能故障点配置实验
3、控制回路接线与诊断实验
4、系统控制组态实验
5、合,分开关主监控实验
6、遥控分,合开关主监控实验
7、故障告警信息实验
8、事故发生的事件测量值,故障排除记录实验
9、对各个故障点进行传出试验
10、事故和预告音响等实验
实训项目
1. 工厂供电电气接线图的认知(1) 工厂供电一次电气接线模拟图的认知
(2) 工厂供电二次控制回路接线和信号回路实验
(3) 断路器控制,手动分合闸实验
(4) 控制回路防跳、断线实验
(5) 电压和电流互感器的接线方法
2. 供配电操作考核
(1) 模拟工厂供电倒闸操作考核
(2) 电压无功联调操作考核
(3) 送电、停电操作考核
3. 无功补偿实验
(1) 无功补偿装置的认知
(2) 手动/自动功率因数补偿
(3) 无功补偿回路故障模拟实验
4. 常规继电器特性及保护实验
(1) 控制回路结构分析实验
(2) 控制回路配线实训实验
(3) 控制回路故障排查实验
(4) 控制回路结构优化实验
(5) 控制回路异常告警实验
5. 10KV线路?;な笛迪钅浚?br /> 1.三段式电流保护实验
2.过流加速?;な笛椋ㄇ凹铀?后加速)
3.过负荷保护实验(跳闸/告警可?。?br /> 4.零序电流保护实验(跳闸/告警可?。?br /> 5.低电压保护实验
6. 三相一次重合闸实验
7. 控制回路异常告警实验
8. 跳位异常告警实验
9. 弹簧未储能告警实验
6. 10KV变压器?;な笛迪钅浚?br /> 1、 三段式复压闭锁过电流?;な笛?br /> 2、 过负荷?;な笛?br /> 3、 反时限过流?;な笛?br /> 4、 负序过电流?;な笛?br /> 5、 高压侧零序电流?;な笛?br /> 6、 低压侧零序电流?;な笛?br /> 7、 低压侧零序反时限?;な笛?br /> 8、 低电压保护实验
9、 零序电压保护实验
10、 非电量?;な笛?br /> 11、 TV断线检测告警实验
12、 控制回路异常告警实验
13、 跳位异常告警实验
14、 手车位置异常告警实验
15、 弹簧未储能告警实验
本文链接:http://www.hxvl.com.cnhttp://www.hxvl.com.cn/gpd/987.html
文章来源:www.hxvl.com.cn??? ?编辑:中人教仪厂??? ?时间:2019-07-03 13:45
常见问题:
1、如果我要购买10Kv变电及工厂配电自动化实验装置、10KV输配电综合模拟实训系统,是否有安装、培训服务呢?
答:我们的设备如果没有特别注明“不含安装”“裸机价”“出厂”等字样的,都是提供安装、培训服务的。
2、你们的10Kv变电及工厂配电自动化实验装置、10KV输配电综合模拟实训系统是否能开增值税专用发票?
答:可以的,我们是正规企业,并且已经升级到一般纳税人,可以开具增值税专用发票,如果您需要开10Kv变电及工厂配电自动化实验装置、10KV输配电综合模拟实训系统的发票,您需要提供开票资料。
3、你们的产品都是自己生产的吗?都有什么产品资质?
答:我们公司是专业生产教学设备的企业,完全自主生产,并通过了最新版ISO9001认证,拥有多项专利与著作权。
* 表示必填采购:10Kv变电及工厂配电自动化实验装置








