plc教学实验台接线方法图片高清视频
时间:2025-11-18 23:40:20 点击次数:
中人教仪厂

一、引言
在工业自动化教育领域中,PLC(可编程逻辑操控器)教育试验台扮演着至关重要的人物。它为学生供给了一个直观、实践的学习掌控把握掌控把握掌控把握环境,使他们可以亲手实操并深化理解PLC的作业原理和编程办法。--将具体简介PLC实验台的接线办法,并辅以高清图片和视频,协助读者更好地把握这一技能。
二、PLC实验台基础简介
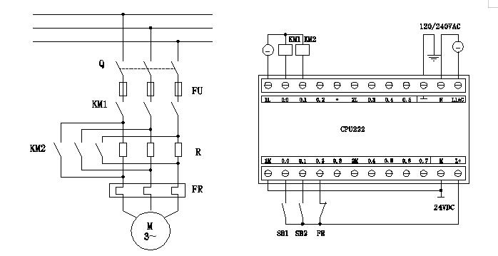
PLC实验台一般由PLC主机、写入设备、输出设备、电源模型块以及衔接实验连接线等含有概括。写入设备含有概括开关、按钮、传感器等,用来向PLC供给操控信号;输出设备含有概括指示灯、电机、继电器等,用来履行PLC的操控指令。电源模型块担任为整个试验台供给平稳的电源供给。
三、接线办法详解
电源接线
首要,咱们需要将电源模型块与试验台衔接。这一般涉及到将电源线刺进电源模型块的相应插孔,并保证衔接结实。在接线中,必须留意电源的电压(V)(V)(V)和电流(A)(A)(A)规格,以免损坏设备。
写入设备接线
--咱们将写入设备与PLC主机衔接。以开关为例,咱们可以将开关的一端衔接到PLC的某个写入端口(如X0),另一端衔接到电源的负极。在接线时,要保证实验连接线的色彩或符文号与PLC端口的标识相对应,以便后续编程时可以正确识别。
输出设备接线
输出设备的接线办法与写入设备类似。以指示灯为例,咱们可以将指示灯的正极衔接到PLC的某个输出端口(如Y0),负极一起合作衔接到电源的负极。相同,要保证实验连接线的色彩或符文号与PLC端口的标识相对应。
四、高清图片与视频辅助
为了更好地协助读者理解接线办法,--将供给高清图片和视频作为辅助材料。图片将展现试验台的全体布置、各个部位件的方位以及接线细节,使读者可以明晰地看到每个步骤的实操过程。视频则将展现实际的接线过程,含有概括实验连接线的剥皮、刺进端口、固定等实操,使读者可以直观地理解接线的具体实操办法。
五、留意事项
在实行PLC实验台接线时,需要留意以下几点:
保证电源已封闭,避免在接线过程中发生电击事故。
查验实验连接线的重量(kg)(kg)和长度,保证它们契合试验要求并设定有杰出的导电功能。
在刺进实验连接线时,要轻轻旋转并略微用力,以保证实验连接线与端口严密接触并固定结实。
在接线完成后,必须实行仔细查验,保证一切衔接全部正确无误。
六、试验与调动测量试验
完成接线后,咱们可以开端实行试验与调动测量试验。首要,打开PLC编程系统,创立一个新的项目并装备相应的写入/输出端口。--编写一个简略的操控程序,如操控指示灯的闪耀或电机的启停等。将程序下载到PLC主机后,给试验台上电并调查输出设备的反应。经过不断调动程序功能数值和调查试验成果,咱们可以逐渐优化操控逻辑并提升试验效果。
七、结语
--具体简介了PLC实验台的接线办法,并辅以高清图片和视频作为辅助材料。经过试验与调动测量试验环节的实践实操,读者可以深化理解和把握PLC的作业原理和编程办法。希望--可以对广大读者在PLC学习掌控把握掌控把握掌控把握与实践过程中供给有益的协助和辅导。
以上文章仅供参考。
常见问题:
1、如果我要购买plc教学实验台接线方法图片高清视频,PLC实验台,是否有安装、培训服务呢?
答:我们的设备如果没有特别注明“不含安装”“裸机价”“出厂”等字样的,都是提供安装、培训服务的。
2、你们的plc教学实验台接线方法图片高清视频,PLC实验台是否能开增值税专用发票?
答:可以的,我们是正规企业,并且已经升级到一般纳税人,可以开具增值税专用发票,如果您需要开plc教学实验台接线方法图片高清视频,PLC实验台的发票,您需要提供开票资料。
3、你们的plc教学实验台接线方法图片高清视频,PLC实验台都是自己生产的吗?都有什么产品资质?
答:我们公司是专业生产教学设备的企业,完全自主生产,并通过了最新版ISO9001认证,拥有多项专利与著作权。
本文来自网络,不代表本站立场,图片为参考图片,转载请注明出处:plc教学实验台接线方法图片高清视频,PLC实验台