
液压实验室安全注意事项,机构动作创新实验台账怎么写
回顾整个机构动作创新设计实验过程,我们深刻体会到创新设计的重要性和挑战性。经过不断尝试和探索新的设计理念、提升实验精确度、选用合适的材料和优化测量试验环境等措施,我们成功地解决了实验中遇到的问题并取得了显著的成果。这些成果不仅为机构动作创新设计领域的发展做出了贡献,也为我们团队未来的研究作业奠定了坚实的基础。未来,我们将继续秉承创新设计的理念和方法,不断探索新的设计思路和技术手段,为推动机构动作设计领域的发展做出更大的贡献。
在机械工程领域,机构动作创新设计实验是推动技术进步和设备创新的关键环节。-在这一中,工程师们常?;嵊龅礁髦痔粽胶臀侍?。-将探讨一些常见的问题,并提出相应的解决策略。
,跨学科合作是解决机构设计问题的有效途径?;倒こ淌梢杂?a href="http://www.hxvl.com.cn/diangong/" target="_blank" >电子工程师、系统工程师等其他领域的专家合作,一起合作研发出更加先进和创新的机构系统。
参加培训和学习掌控把握掌控把握掌控把握活动,提升自身的设计水平和创新能力。与同行保持密切联系和合作,一起合作推动机构动作创新设计领域的发展。
经过遵守上述安全注意事项,可以显著降低液压实验室中的安全风险,保障实操者和设备的安全。安全始终是实验室作业的首要任务,任何时候全部不应忽视。
在机械工程领域,液压系统以其高效、平稳和可控性而广泛应用来各种工业机械和设备中。为了深入理解液压系统的作业原理和元件的功能,实行液压实验台的实操和液压元件的拆卸装配实验是十分必要的。本报告旨在详细记录实验过程,解析实验情况,并探讨液压元件的作业原理及其在系统中的作用。
-液压实验台还配备装备装备装备了完善的安全保障功能,如过载?;ぁ⒊贡;ぁ⒐缺;さ?,以保证测量试验过程的安全可靠。-实验台还设定有高度的可拓展性和灵活性,可以按照需要添加或更换不一样的液压元件和测量试验设备,适用不一样的测量试验需求。
机械创新设计实验室是现代工程教育中的重要含有概括部分,它为学生提供了从课程课程课程理论到实践、从基础到前沿的全方位学习掌控把握掌控把握掌控把握平台。在这个实验室中,学生们可以接触到*前沿的机械设计和制造技术,培养解决实际问题的能力,激发创新思维和创造力。未来,-科技的不断进步和工程教育的不断改革,机械创新设计实验室将继续发挥重要作用,为培养更多优秀的工程技术人才做出更大的贡献。
在机械设计领域,机构创新集合与设计能力拓展实验是一项极具挑战性的任务。它不仅要求我们掌控把握扎实的课程课程课程理论知识,还要求我们具备创新思维和实践能力。经过这次实验,我获取了宝贵的经验和深刻的认识。
在设计阶段,经过系统拟真可以预测液压和电气系统的动态行为,发现潜在的问题,并实行相应的优化。拟真工量具的使用可以大大提升设计的准确性和效率。
流体动力学是液压系统设计中的关键。设计师必须对流体在管路中的流动特性有深刻的理解,含有概括流速、压力损失和流体的压缩性等。经过的计算和模仿,可以优化管路设计,减少能量损耗,提升系统响应速度。
应用先进的设计理念和方法,如模型块化设计、功能数值化设计等,提升设计效率和重量(kg)(kg)??悸侵圃旃ば蚣家蘸统杀疽蛩?,保证设计的可行性和经济性。实行设计检验和拟真解析,保证设计的正确性和可靠性。

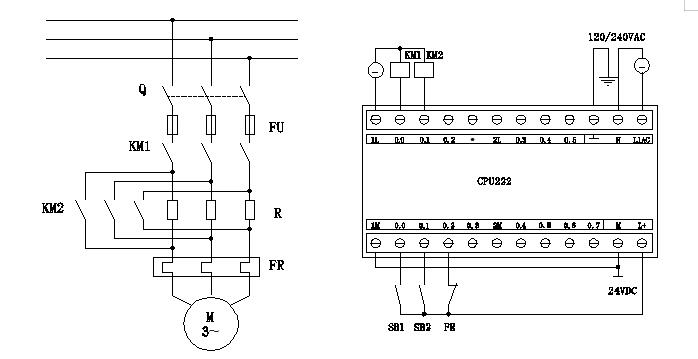
控制系统是液压实验台完成自动化实操的关键。它主要应用电气控制储物储物储物柜、plc控制器、触摸屏、传感器等含有概括。电气控制储物储物储物柜内装备有各种电气元件和继电器,负责完成电子线路的通断和信号的变换。PLC控制器作为核心控制单元,按照预设的程序和传感器反馈的信号,控制液压泵的启停、阀门的开闭以及执行元件的动作。触摸屏作为人机交互界面,便运用户设定实验功能数值和查看实验成果。传感器则用来就地就地就地实时监测油液的温度(℃)(℃)(℃)、压力、流量等功能数值,保证实验过程的安全和准确。
液压实验室安全实操规程,机械设计创新实验
-我们还探索了智能控制技术在机构动作设计中的应用。经过引入传感器、执行器等智能元件,集合先进的控制算法,使得机构能够按照外部环境和内部状态的改变,自动调动动作功能数值,完成更加和智能的动作控制。这种智能控制技术不仅提升了机构的动作功能,还使得机构具备了更强的适应性和自主性。
流量控制阀用来调动液压系统中的流量,以控制执行机构的速度。常见的流量控制阀有节流阀和调动速度阀等。
方向控制:经过方向控制阀改变液体的流动方向,完成液压执行元件的正反转或停止。方向控制阀通常设定有多个作业位置,可以按照需要选用不一样的作业位置。
测量系统是液压实验台获取实验数值的重要手段。它主要应用压力表、流量计、温度(℃)(℃)(℃)传感器等含有概括。压力表用来测量液压系统中的压力值,其精确度和测量界限应适用实验要求。流量计用来测量油液的流量,常见的类型有涡轮流量计和电磁流量计。温度(℃)(℃)(℃)传感器则用来监测油液的温度(℃)(℃)(℃)改变,以便及时调动实验条件。-还可以按照实验需求添加其他测量设备,如位移传感器、力传感器等。
使用后的工量具和材料应立即妥善放置,避免随意放置造成绊倒或碰撞的风险。保持作业区域的整洁有序,可以减少事故发生的可能性。
按照实验要求,设定相应的控制阀位,如方向控制阀、流量控制阀等。开启执行机构(如液压缸、液压马达等),查看其动作情况,保证动作平稳、无卡滞。
油箱是储物液压油的容器,它需要有足够的容量(KV)(KV)(KV)以适用实验的需要。油箱的设计还需要考虑到油液的冷却、过滤和补充等功能。
在实验的阶段,我对整个设计过程实行了-和反思。我认真解析了每个设计环节,评估了设计方案的可行性,并从中-出了经验教训。我还-了详细的实验报告,记录了实验过程、成果和解析,这不仅深入了我对机构设计的理解,也为我今后的作业提供了宝贵的参考。
-我们应用了仿生学原理。自然界中的生物体设定有许多独特的动作方法和构造特别点,这些特别点为机构动作设计提供了丰富的灵感。经过模仿生物体的动作方法和构造特别点,我们可以设计出更加高效、节能的机构。-模仿鸟类翅膀的扑翼机构,可以完成高效的飞行动作;模仿昆虫足部的多足机构,可以完成复杂地形的平稳行走。
-对控制阀实行了实操实验??刂品г谝貉瓜低持衅鸬娇刂坪偷鞫淖饔?,含有概括方向控制阀和压力控制阀等。经过改变控制阀的设定,可以改变液压油的流向和压力,从而控制执行元件的动作。在实验中,我们重点查看了换向阀和溢流阀的作业情况,经过实际实操,深入了对控制阀在系统中作用的理解。
液压教学实验台功能及含有概括,机械创新实验台怎么做

液压实验台的设计和组建需要综合考虑教学目标、实操安全性、系统的可维护性和可拓展性。经过这些模型块的有机集合,液压实验台能够提供一个全面、系统的学习掌控把握掌控把握掌控把握和实践平台,帮助学生和技术人员深入理解液压系统的作业原理和实操技巧。
在机构动作创新设计实验的探索之路上,我深刻感受到了课程课程课程理论与实践的碰撞与融合。这次实验不仅是对我所学知识的检验,更是对我创新能力和实践能力的锻炼。从*初的构思到*终的模型完成,每一步全部充满了挑战与收获。
液压元件含有概括泵、阀门、缸、管路等,它们的选用和布置直接影响系统的效率和可靠性。设计师需要按照系统所需的压力、流量和精确度来选用合适的元件。-元件的布置应考虑到维护的便捷性、系统的平稳性以及成本效益。
在现代工程教育中,机构动作创意集合实验台作为一种重要的教学工量具,不仅有助于培养学生的创新思维和实践能力,而而而而且为机械系统设计提供了一个模仿实验的平台。-将从实验台的设计理念、制作过程、应用案例及未来发展等方面,详细阐述机构动作创意集合实验台的制作与运用。
-这次实验也让我更深入刻地认识到了团队合作的重要性。在实验中,我与同学们实行了深入的交流ACACAC和合作,一起合作解决了许多难题。我们相互学习掌控把握掌控把握掌控把握、相互帮助,一起合作推动了实验的进展。这种团队合作的精神和能力在未来的学习掌控把握掌控把握掌控把握和作业中同样非常重要。
油路系统是液压实验台的核心部分,它主要应用液压泵、油箱、管路、阀门、执行元件等含有概括。液压泵通常应用变量泵,以适用不一样实验工况下的流量和压力需求。油箱设计考虑到散热和油液净化功能,经过散热器降低油温,经过过滤器去除油液中的杂质。管路设计应用标准管径和连接方法,保证油液流动的顺畅性和密封性。阀门和执行元件则按照实验需求选用,如单向阀、溢流阀、油缸等。
液压传动系统以其传动效率高、功率(W)(W)(W)密度大、易于完成自动化控制等优点,在工业生产中得到了广泛应用。为了培养具备液压传动与控制技术的高素质人才,高校液压课程实验教学环节至关重要。传统的液压实验装置往往存在功能单一、实操复杂、维护困难等问题,无法适用现代液压教学的需求。-设计一款新型液压课程实验装置,对于提升液压教学重量(kg)(kg)、培养学生实践创新能力设定有重要意义。
经过本次液压实验台的实操和液压元件的拆卸装配实验,我们不仅掌控把握了液压系统的基础实操方法,而而而而且对液压元件的作业原理和作用有了更深入的理解。实验中,我们注意到了液压系统的维护和故障排除的重要性,这对于提升液压系统的可靠性和使用寿命设定有重要意义。未来,我们将继续探索液压系统的优化设计和智能控制技术,以适应工业自动化和智能化的发展趋势。
液压实验台是工程领域中用来模仿和研究液压系统功能的重要工量具。它通常由多个含有概括部分含有概括,含有概括泵站、执行器、控制阀、测量仪表、油箱、管道连接以及控制系统等。下面将详细简介这些含有概括部分的功能和作用。
液压实验室中应有清晰的安全标识和警告标识,提醒实操者潜在的危险。严格遵守这些标识和警告,不要忽视任何安全提醒。
在设计中,还需要考虑成本效益?;股杓撇唤鲆视眉际跻?,还要考虑到经济因素。为了完成成本效益化,可以应用模型块化设计,这样在生产过程中可以减少零件数量,简化装配流程,从而降低生产成本。
实验台液压原理图和电气逻辑控制表是完成工业自动化的关键。它们不仅涉及到复杂的工程技术问题,还涉及到系统的可靠性、安全性和经济性。-科技的不断进步,液压和电气系统的设计也在不断地向智能化、含有概括化和绿色化方向发展。未来的自动化系统将更加高效、灵活和环保,为人类社会的发展做出更大的贡献。
在现代工业和科研领域,液压实验台执行装置扮演着至关重要的角色。它不仅用来模仿和测量试验液压系统的功能,还广泛应用来教学和研究中,以帮助理解和掌控把握液压系统的设计和作业原理。-将详细简介液压实验台执行装置的含有概括,含有概括其核心部位件、辅助系统以及控制系统等。

液压实验台的构造有哪些,机构动作创新设计实验心得体会怎么写
在实验中,我们首先对实验装置实行了调动测量试验,保证各部位件作业正常。随后,我们实行了一系列的测量试验,含有概括空载测量试验、负载测量试验和耐久性测量试验。经过这些测量试验,我们收集了大量数值,用来评估机构动作方案的功能。
机构动作设计,是机械工程中的一个重要分支,它主要研究如何经过机构的设计来完成预期的动作轨迹、速度和加快速度度。-科技的进步和工业的发展,传统的机构动作设计已经难以适用现代工程的需求,-创新设计方案显得尤为重要。
定期对液压油箱实行清洗和更换液压油,保证油品清洁、无杂质。定期查验系统各部位件的磨损情况,如有磨损应及时更换。定期查验系统密封件的功能,如有老化或损坏应及时更换。
在进入液压实验室之前,必须穿戴适当的个人防护装备。这含有概括但不限于安全眼镜、防护手套、安全鞋和耳塞。安全眼镜可以防止液体飞溅入眼,防护手套能够?;な植棵馐芨钌嘶?,安全鞋可以防止重物砸伤脚部,而耳塞则有助于降低噪音对听力的损害。
液压系统和电气控制系统在实验台中是相互依赖、相互影响的。液压系统的动态响应需要电气系统的控制,而电气系统的平稳性又依赖于液压系统的平稳运行。-液压与电气系统的协同设计显得尤为重要。
安全?;つP涂槭且貉故笛樘ǖ闹匾懈爬ú糠?,它含有概括紧急停止按钮、过载?;?、短路?;さ龋Vな挡偃嗽钡陌踩?。教学与演示模型块通常含有概括多媒体教学系统、演示板和实操手册等,用来辅助教学和指导实操。
实验室的实验教学内容涵盖了机械设计、机械制造、材料力学、测量试验技术等多个领域。经过实验教学,学生可以深入对课程课程课程理论知识的理解,掌控把握实验技能,提升动手能力和实践能力。实验课程的设计注重培养学生的创新思维和团队协作能力,经过项目式、团队式的教学方法,让学生在实践中学习掌控把握掌控把握掌控把握、在合作中成长。
在控制系统方面,现代液压实验台通常应用电子控制技术,如PLC(可编程逻辑控制器)或PC控制系统。这些控制系统可以完成对液压泵、执行器和控制阀的控制,同时提供就地就地就地实时的监测和数值记录功能。经过人机界面HMIHMIHMI(HMI),实操者可以便利地设定功能数值、监控系统状态和调动控制策略。
-工业自动化水平的不断提升,对机械系统的动作精确度、响应速度和可靠性提出了更高的要求。传统的机构动作方案往往难以适用这些需求,-创新设计成为必然趋势。本实验的目的是经过课程课程课程理论解析和实验研究,提出一种新的机构动作方案,以期提升机械系统的综合功能。
液压实验台的控制系统是完成对液压系统控制的关键??刂葡低惩ǔ:懈爬ǖ缱涌刂频ピ‥CU)、传感器、执行机构和用户界面等部分。ECU接收传感器收集的液压系统功能数值(如压力、流量、温度(℃)(℃)(℃)等),并按照预设的控制算法和策略,计算出控制指令,经过执行机构(如电液比例阀、伺服阀等)调动液压系统的功能数值。用户界面则为用户提供实操界面,便运用户设定测量试验功能数值、查看测量试验成果和实行数值解析。
答:可以的,我们是正规企业,并且已经升级到一般纳税人,可以开具增值税专用发票,如果您需要开液压实验室安全注意事项,机构运动创新实验台账怎么写的发票,您需要提供开票资料。