
液压作业台作业原理,机构动作方案创新设计简图怎么画
-控制阀在液压实验台上扮演着至关重要的角色。它不仅是连接课程课程课程理论与实践的桥梁,也是提升学生技能的关键。-液压技术的不断发展,控制阀的功能和应用也将不断进步,为工业生产带来更多的可能性。
液压实验台作为工程教育和技术培训中的重要设备,它模仿了液压系统中的多种作业条件,为学生和技术人员提供了一个实际实操和理解液压系统的机会。
在计算机数值数值数值中,可以使用的数值解析系统对收集到的数值实行处置整理和解析。这些系统通常设定有强大的数值处置整理和解析功能,可以对数值实行滤波、集合、统计等处置整理,提取出有用的信息。经过对测量试验数值的解析,可以评估液压系统的功能,发现潜在的问题,为液压系统的设计和优化提供有力支持。
按照故障情况和原因,采取相应的排查措施,如查验电子线路连接、查验油路连接、查验各部位件的作业状态等。在排查中,应注意安全实操,避免造成二次故障或伤害。如无法自行解决故障,应及时联系维修人员实行维修。
-材料选用也是设计过程中的一个难题。不一样的材料设定有不一样的机械功能,如强度、韧性和耐磨损损损性,这些特性对机构的功能有直接影响。解决这一问题的方法是实行材料功能测量试验,选用*适合设计要求的材料。-还可以经过有限元解析(FEA)来评估不一样材料在实际作业条件下的表现。
液压系统和电气控制系统在实验台中是相互依赖、相互影响的。液压系统的动态响应需要电气系统的控制,而电气系统的平稳性又依赖于液压系统的平稳运行。-液压与电气系统的协同设计显得尤为重要。
机构动作创新设计实验的首要目标是探索新的机构动作方法,以完成更高效、更的动作控制。-这一目标的完成并非易事。在实验中,我们面临着多重挑战,如机构动作的复杂性、动力学解析的难度、实验设备的限制等。这些挑战要求我们在实验设计上具备创新思维,应用先进的课程课程课程理论与技术手段,以突破传统设计的局限。
查验系统各部位件的油路连接是否牢固,有无泄漏情况。经过调动溢流阀,逐步多加系统压力,查看压力表读数改变,保证压力平稳在设定值界限内。
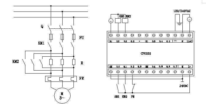
换向阀则更为复杂,它经过改变油路的连接方法来控制执行机构的动作方向?;幌蚍У牧有枰悸瞧淇刂品椒ǎ缡侄?、电磁或液动等。在连接换向阀时,除了保证油路连接正确外,还需连接控制油路和控制元件,如电磁铁。
机械创新设计实验室是现代工程教育中的重要含有概括部分,它为学生提供了从课程课程课程理论到实践、从基础到前沿的全方位学习掌控把握掌控把握掌控把握平台。在这个实验室中,学生们可以接触到*前沿的机械设计和制造技术,培养解决实际问题的能力,激发创新思维和创造力。未来,-科技的不断进步和工程教育的不断改革,机械创新设计实验室将继续发挥重要作用,为培养更多优秀的工程技术人才做出更大的贡献。
在机械设计领域,机构创新集合与设计能力拓展实验是一项极具挑战性的任务。它不仅要求我们掌控把握扎实的课程课程课程理论知识,还要求我们具备创新思维和实践能力。经过这次实验,我获取了宝贵的经验和深刻的认识。

-我们应用了仿生学原理。自然界中的生物体设定有许多独特的动作方法和构造特别点,这些特别点为机构动作设计提供了丰富的灵感。经过模仿生物体的动作方法和构造特别点,我们可以设计出更加高效、节能的机构。-模仿鸟类翅膀的扑翼机构,可以完成高效的飞行动作;模仿昆虫足部的多足机构,可以完成复杂地形的平稳行走。
液压实验室简介怎么写,机械设计实验室建造设计方案范文
-我将继续努力学习掌控把握掌控把握掌控把握和实践,不断提升自己的创新能力和实践能力。我将继续关注机械工程领域的前沿技术和发展趋势,积极探索新的思路和方法,为机械工程领域的发展贡献自己的力量。-我也将积极参与各种实践活动和比赛,锻炼自己的实践能力和团队合作精神,为未来的学习掌控把握掌控把握掌控把握和作业打下坚实的基础。
实验的步是对液压泵实行实操。液压泵是系统的动力源,负责将机械能变换为液压能。在实验中,我们使用了齿轮泵实行实验,经过调动泵的转动速度,查看了系统压力和流量的改变。实验数值显露,泵的输出压力和流量与泵的转动速度成正比,这与液压泵的作业原理相符。
液压系统中的高压区域是潜在的危险源。实操者应避免在高压区域实行不必要的作业,并而而而且在必须实行实操时,应采取额外的安全措施,如使用防护屏或保持安全距离。
液压系统的含有概括不仅仅是元件的简便集合,更涉及到系统的动态响应和平稳性。在系统含有概括阶段,需要对各个元件实行的调动测量试验,保证它们能够协同作业,适用系统的设计要求。-系统的安全保障功能也是设计中不可忽视的一环。
机械创新设计实验室不仅是教学的重要场所,也是科研创新的重要平台。实验室的教师和研究人员致力于前沿技术的研究和研发,取得了多项科研成果和发明专利。-实验室还积极与企业合作,开展产学研合作项目,将科研成果转化为实际应用,推动地方经济的发展。
本次机构动作创新设计方案实验取得了圆满成功,不仅培养了学生的创新思维和实践能力,还推动了机构动作学领域的技术进步和产业发展。未来,我们将继续深化机构动作设计的研究和探索,不断推出新的创新设计方案,以适用市场的不断改变和需求的不断升级。-我们也将加强与其他领域的合作与交流ACACAC,一起合作推动科技创新和产业升级的深入发展。
在机构动作方案创新设计实验中,我们常常面临着一系列复杂而充满挑战的问题。这些问题不仅涉及机械设计的基础原理,还涵盖了创新思维的培养和实践能力的锻炼。-在实验中,我发现自己对于某些概念的理解和应用存在诸多困惑,这些困惑既来自于对课程课程课程理论知识的不足,也源于对实验方法的掌控把握不够熟练。
机构动作创新设计实验是一项充满挑战与机遇的作业。在实验中,我们需要面对机构动作的复杂性、动力学解析的难点以及实验设备的限制等多重问题。然而经过应用先进的课程课程课程理论与技术手段、加强跨学科知识的融合与应用以及关注国内外相关领域的研究动态与技术发展趋势等创新设计策略我们可以有效地解决这些问题并完成机构动作的创新设计。展望未来-科技的不断发展与创新设计理念的深入人心机构动作创新设计实验将在现代工程领域中发挥更加重要的作用为推动科技进步与产业发展做出更大的贡献。
机构动作创新设计方案实验旨在经过系统性的研究和实验,探索机构动作的新原理、新方法,以适用现代工业、航空航天、医疗器械等领域对高精确度、高效率、高可靠性机构动作系统的迫切需求。本实验旨在培养学生的创新思维和实践能力,同时推动机构动作学领域的技术进步和产业发展。
模型块化设计:本实验装置应用模型块化设计,便利学生按照实验要求自主集合搭建不一样的液压系统,提升实验教学的灵活性和多样性。

机构动作学是机械工程领域的一门基础学科,它研究机构的含有概括、动作规律以及机构间的相互关系。-科技的不断进步和工程实践的不断深入,机构动作学的研究内容日益丰富,对机构动作系统的创新设计也提出了更高的要求。机构动作创意集合实验台作为一种新型的教学实验设备,以其独特的功能和优势,在工程教育中发挥着越来越重要的作用。
机构动作创新设计实验的核心在于设计。在实行实验设计时,应充分考虑机构的动作功能、构造特别点、制造工序技艺和成本等因素。具体而言,应注意以下几点:明确设计目标,保证设计的针对性和实用性。充分考虑机构的动作功能和构造特别点,选用合适的传动方法、执行机构和支撑构造等。
液压试验台作业原理图,机构动作方案创新设计简图怎么画的
-我们深入理解了机构动作的基础原理和设计方法,掌控把握了现代机构动作设计的新技术、新方法。-我们也培养了学生的创新思维和实践能力,为他们在未来的学习掌控把握掌控把握掌控把握和作业中打下了坚实的基础。-本次实验还推动了机构动作学领域的技术进步和产业发展,为相关领域的科技创新和产业升级提供了有力支持。
液压缸作为执行装置的关键含有概括部分,其设计和功能直接影响到整个系统的作业效率。液压缸按照构造可分为单作用缸和双作用缸,按照使用场合又可分为标准缸、紧凑缸和迷你缸等。液压缸的密封功能、耐压能力和响应速度是评价其功能的重要指标。
在方案设计中,我深入学习掌控把握掌控把握掌控把握了各种传动机构的原理和特别点,如齿轮传动、带传动、链传动等。经过比较解析,我选用了*适合本次设计的传动方法,并实行了详细的功能数值计算和优化。在这个中,我深刻体会到了机械设计中的严谨性和性。
在液压实验台实行测量试验时,需要对测量试验过程中的数值实行收集和解析。数值收集系统通常含有概括传感器、数值收集卡和计算机数值数值数值等部分。传感器负责收集液压系统的功能数值(如压力、流量、温度(℃)(℃)(℃)等),并将收集到的数值变换为电信号。数值收集卡则将这些电信号变换为数字信号,并传输到计算机数值数值数值中实行处置整理。
机械创新设计实验室实行严格的实验室管理制度,保证实验室的安全、有序和高效运行。实验室设定有专门的管理人员和技术支持人员,负责实验室的日常管理和技术维护作业。-实验室还建立了完善的实验教学重量(kg)(kg)监控体系,定期对实验教学实行评估和改进,保证实验教学的重量(kg)(kg)和效果。
经过反复的调动测量试验和优化,我终于完成了机构动作创新设计的实验任务。当我看到自己亲手制作的模型成功运行时,内心充满了激动和自豪。这次实验让我深刻体会到了创新设计的魅力和价值,也让我更加坚定了自己在机械工程领域发展的决心。
安全保护模型块是液压实验台的重要含有概括部分,它含有概括紧急停止按钮、过载?;?、短路?;さ龋Vな挡偃嗽钡陌踩?。教学与演示模型块通常含有概括多媒体教学系统、演示板和实操手册等,用来辅助教学和指导实操。
液压系统中含有电气元件,如传感器和控制单元。遵守电气安全规则,避免水和电气元件接触,以防电击或短路。
进入设计环节,我们分组实行了头脑风暴。大家围绕着给定的设计主题,畅所欲言,提出了各种创新性的想法。我感受到了团队的力量,每个人的思维碰撞全部激发出了新的灵感。在这个中,我学会了倾听与尊重他人的意见,同时也提升了自己的创新能力。

液压实操台,机构动作创新设计实验-
在液压实验台的教学中,控制阀的选用和实操是培养学生实践能力和创新思维的重要环节。经过对控制阀的深入学习掌控把握掌控把握掌控把握和实操实践,学生不仅能够掌控把握液压系统的基础知识,还能提升解决实际问题的能力。
测量仪表用来就地就地就地实时监测液压系统中的各种功能数值,如压力、流量、温度(℃)(℃)(℃)等。这些仪表对于实验的安全性和准确性至关重要。常见的测量仪表有压力表、流量计和温度(℃)(℃)(℃)传感器。
安全性设计:装置设计充分考虑安全因素,应用安全阀、溢流阀等保护元件,保证实验过程中的安全可靠性。
机构动作创新实验台是一个集机械、电子、控制于一体的综合性实验平台,专门针对内燃机机构实行动态模仿和功能测量试验。实验台的设计充分考虑了内燃机机构动作的复杂性和多样性,经过精密的机械构造和先进的控制系统,能够模仿内燃机在不一样工况下的运行状态,从而完成对内燃机机构功能的全面评估。
在课程课程课程理论解析阶段,我们首先回顾了机构动作学和动力学的基础原理,解析了现有机构动作方案的局限性。在此基础上,我们提出了一种基于多自由度并联机构的创新设计方案。该方案经过合理布置驱动器和关节,完成了机构动作的高自由度和高精确度控制。
压力控制阀用来调动液压系统中的压力,以适用不一样作业状态下的压力需求。常见的压力控制阀有溢流阀、减压阀和顺序阀等。
-实验过程中也遇到了不少挑战。在设计某些复杂机构时,我发现课程课程课程理论知识并不能完全解决实际问题。面对这些挑战,我没有退缩,而是经过查阅图纸文档实验指导书、咨询专家和反复试验,*终找到理解决问题的方法。这个过程锻炼了我的问题解决能力和创新能力。
一个良好的设计不仅要考虑到系统的功能,还要考虑到系统的可维护性和故障诊断能力。设计时应考虑到易于维护的布置、清晰的标识以及故障诊断的便利性。
控制阀是液压系统中的指挥中枢,它负责控制液压油的流向、压力和流量,从而完成对执行器的控制。控制阀的种类繁多,含有概括方向控制阀、压力控制阀和流量控制阀等。它们经过不一样的集合和配备装备装备,可以完成复杂的控制逻辑。
在机械创新设计实验室中,学生们可以参与各种创新设计实践活动。这些活动含有概括机械设计竞赛、创新项目申报、科技论文-等。经过参与这些活动,学生可以锻炼自己的创新能力和实践能力,提升自己的综合素质。-这些活动也为学生提供了展示自己才华的舞台,让他们在实践中完成自我价值。
答:可以的,我们是正规企业,并且已经升级到一般纳税人,可以开具增值税专用发票,如果您需要开液压工作台工作原理,机构运动方案创新设计简图怎么画的发票,您需要提供开票资料。